Китайский производитель ZEN предлагает высококачественный двигатель Трёхфазный асинхронный двигатель YE3/IE3. Этот двигатель разработан в строгом соответствии со стандартами IEC 60034, оснащён подшипниками NSK, имеет полностью закрытую конструкцию с воздушным охлаждением (IC411), степень защиты IP55 и изоляцию класса F, что обеспечивает стабильную работу при температуре окружающей среды до +50 °C.
Высококачественный двигатель ZEN Трёхфазный асинхронный двигатель YE3/IE3 с непрерывным режимом работы S1 надёжен для систем пожаротушения благодаря стабильной энергоэффективности и полностью закрытой защите. Свяжитесь с нами для получения более подробной информации об этом двигателе, прошедшем международную сертификацию.
| МОДЕЛЬ |
Власть |
RPM | η | η | η | cosφ | A | Nm | Ts/Tn | Tmax/Tn | Is/In | dB(A) | Kgs | |||
| kw | hp | 1/min | % | 75% | 50% | 380V | 400V | 415V | ||||||||
| YE3-801-2 | 0.75 | 1 | 2880 | 80.7 | 80.7 | 79.1 | 0.82 | 1.72 | 1.64 | 1.58 | 2.49 | 2.3 | 2.3 | 7 | 73 | 18.1 |
| YE3-802-2 | 1.1 | 1.5 | 2880 | 82.7 | 82.7 | 81 | 0.83 | 2.43 | 2.31 | 2.23 | 3.65 | 2.2 | 2.3 | 7.3 | 73 | 19.5 |
| YE3-90S-2 | 1.5 | 2 | 2895 | 84.2 | 84.2 | 82.5 | 0.84 | 3.22 | 3.06 | 2.95 | 4.95 | 2.2 | 2.3 | 7.6 | 76 | 23.3 |
| YE3-90L-2 | 2.2 | 3 | 2895 | 85.9 | 85.9 | 84.2 | 0.85 | 4.58 | 4.35 | 4.19 | 7.26 | 2.2 | 2.3 | 7.6 | 77 | 27.1 |
| YE3-100L-2 | 3 | 4 | 2895 | 87.1 | 87.1 | 85.4 | 0.87 | 6.02 | 5.71 | 5.51 | 9.9 | 2.2 | 2.3 | 7.8 | 79 | 38.8 |
| YE3-112M-2 | 4 | 5.5 | 2905 | 88.1 | 88.1 | 86.3 | 0.88 | 7.84 | 7.45 | 7.18 | 13.1 | 2.2 | 2.3 | 8.3 | 80 | 48.3 |
| YE3-132S1-2 | 5.5 | 7.5 | 2930 | 89.2 | 89.2 | 87.4 | 0.88 | 10.6 | 10.1 | 9.75 | 17.9 | 2 | 2.3 | 8.3 | 83 | 55.1 |
| YE3-132S2-2 | 7.5 | 10 | 2930 | 90.1 | 90.1 | 88.3 | 0.88 | 14.4 | 13.7 | 13.2 | 24.4 | 2 | 2.3 | 7.9 | 84 | 69.2 |
| YE3-160M1-2 | 11 | 15 | 2945 | 91.2 | 91.2 | 89.4 | 0.89 | 20.6 | 19.6 | 18.9 | 35.7 | 2 | 2.3 | 8.1 | 87 | 113 |
| YE3-160M2-2 | 15 | 20 | 2945 | 91.9 | 91.9 | 90.1 | 0.89 | 27.9 | 26.5 | 25.5 | 48.6 | 2 | 2.3 | 8.1 | 87 | 123 |
| YE3-160L-2 | 18.5 | 25 | 2940 | 92.4 | 92.4 | 90.6 | 0.89 | 34.2 | 32.5 | 31.3 | 60.1 | 2 | 2.3 | 8.2 | 90 | 142 |
| YE3-180M-2 | 22 | 30 | 2955 | 92.7 | 92.7 | 90.8 | 0.89 | 40.5 | 38.5 | 37.1 | 71.1 | 2 | 2.3 | 8.2 | 90 | 182 |
| YE3-200L1-2 | 30 | 40 | 2960 | 93.3 | 93.3 | 91.4 | 0.89 | 54.9 | 52.1 | 50.3 | 96.8 | 2 | 2.3 | 7.6 | 91 | 246 |
| YE3-200L2-2 | 37 | 50 | 2960 | 93.7 | 93.7 | 91.8 | 0.89 | 67.4 | 64 | 61.7 | 119.4 | 2 | 2.3 | 7.6 | 91 | 265 |
| YE3-225M-2 | 45 | 60 | 2965 | 94 | 94 | 92.1 | 0.9 | 80.8 | 76.8 | 74 | 144.9 | 2 | 2.3 | 7.7 | 93 | 323 |
| YE3-250M-2 | 55 | 75 | 2970 | 94.3 | 94.3 | 92.4 | 0.9 | 98.5 | 93.5 | 90.2 | 176.9 | 2 | 2.3 | 7.7 | 93 | 413 |
| YE3-280S-2 | 75 | 100 | 2975 | 94.7 | 94.7 | 92.8 | 0.9 | 134 | 127 | 122 | 240.8 | 1.8 | 2.3 | 7.1 | 94 | 546 |
| YE3-280M-2 | 90 | 125 | 2975 | 95 | 95 | 93.1 | 0.9 | 160 | 152 | 146 | 288.9 | 1.8 | 2.3 | 7.1 | 94 | 569 |
| YE3-315S-2 | 110 | 150 | 2978 | 95.2 | 95.2 | 93.3 | 0.9 | 195 | 185 | 179 | 352.8 | 1.8 | 2.3 | 7.1 | 94 | 897 |
| YE3-315M-2 | 132 | 180 | 2978 | 95.4 | 95.4 | 93.5 | 0.9 | 234 | 222 | 214 | 423.3 | 1.8 | 2.3 | 7.1 | 95 | 1029 |
| YE3-315L1-2 | 160 | 220 | 2980 | 95.6 | 95.6 | 93.7 | 0.91 | 279 | 265 | 256 | 512.8 | 1.8 | 2.3 | 7.2 | 95 | 1067 |
| YE3-315L2-2 | 200 | 270 | 2980 | 95.8 | 95.8 | 93.9 | 0.91 | 349 | 331 | 319 | 640.9 | 1.8 | 2.2 | 7.2 | 95 | 1194 |
| YE3-355M-2 | 250 | 340 | 2982 | 95.8 | 95.8 | 93.9 | 0.91 | 436 | 414 | 399 | 800.6 | 1.6 | 2.2 | 7.2 | 103 | 1685 |
| YE3-355L-2 | 315 | 430 | 2982 | 95.8 | 95.8 | 93.9 | 0.91 | 549 | 522 | 503 | 1009 | 1.6 | 2.2 | 7.2 | 103 | 1734 |
| МОДЕЛЬ | Власть | RPM | η | η | η | cosφ | A | Nm | Ts/Tn | Tmax/Tn | Is/In | dB(A) | Kgs | |||
| kw | hp | 1/min | % | 75% | 50% | 380V | 400V | 415V | ||||||||
| YE3-801-4 | 0.55 | 0.75 | 1400 | 80.8 | 80.8 | 79.2 | 0.75 | 1.38 | 1.31 | 1.26 | 3.75 | 2.4 | 2.3 | 5.2 | 63 | 17.6 |
| YE3-802-4 | 0.75 | 1 | 1420 | 82.5 | 82.5 | 80.9 | 0.75 | 1.84 | 1.75 | 1.69 | 5.04 | 2.3 | 2.3 | 6.6 | 63 | 18.4 |
| YE3-90S-4 | 1.1 | 1.5 | 1445 | 84.1 | 84.1 | 82.4 | 0.76 | 2.61 | 2.48 | 2.39 | 7.27 | 2.3 | 2.3 | 6.8 | 66 | 24.2 |
| YE3-90L-4 | 1.5 | 2 | 1445 | 85.3 | 85.3 | 83.6 | 0.77 | 3.47 | 3.3 | 3.18 | 9.91 | 2.3 | 2.3 | 7 | 66 | 29.7 |
| YE3-100L1-4 | 2.2 | 3 | 1450 | 86.7 | 86.7 | 85 | 0.81 | 4.76 | 4.52 | 4.36 | 14.6 | 2.3 | 2.3 | 7.6 | 68 | 41.5 |
| YE3-100L2-4 | 3 | 4 | 1450 | 87.7 | 87.7 | 85.9 | 0.82 | 6.34 | 6.02 | 5.8 | 20 | 2.3 | 2.3 | 7.6 | 68 | 46 |
| YE3-112M-4 | 4 | 5.5 | 1450 | 88.6 | 88.6 | 86.8 | 0.82 | 8.37 | 7.95 | 7.66 | 26.5 | 2.2 | 2.3 | 7.8 | 72 | 63.2 |
| YE3-132S-4 | 5.5 | 7.5 | 1460 | 89.6 | 89.6 | 87.8 | 0.83 | 11.2 | 10.7 | 10.3 | 36 | 2 | 2.3 | 7.9 | 74 | 71.2 |
| YE3-132M-4 | 7.5 | 10 | 1460 | 90.4 | 90.4 | 88.6 | 0.84 | 15 | 14.3 | 13.7 | 49.1 | 2 | 2.3 | 7.5 | 77 | 85.1 |
| YE3-160M-4 | 11 | 15 | 1465 | 91.4 | 91.4 | 89.6 | 0.85 | 21.5 | 20.4 | 19.7 | 71.7 | 2.2 | 2.3 | 7.7 | 78 | 121 |
| YE3-160L-4 | 15 | 20 | 1465 | 92.1 | 92.1 | 90.3 | 0.86 | 28.8 | 27.3 | 26.3 | 97.8 | 2.2 | 2.3 | 7.8 | 82 | 142 |
| YE3-180M-4 | 18.5 | 25 | 1470 | 92.6 | 92.6 | 90.7 | 0.86 | 35.3 | 33.5 | 32.3 | 120.2 | 2 | 2.3 | 7.8 | 82 | 181 |
| YE3-180L-4 | 22 | 30 | 1470 | 93 | 93 | 91.1 | 0.86 | 41.8 | 39.7 | 38.3 | 142.9 | 2 | 2.3 | 7.8 | 82 | 209 |
| YE3-200L-4 | 30 | 40 | 1475 | 93.6 | 93.6 | 91.7 | 0.86 | 56.6 | 53.8 | 51.8 | 194.2 | 2 | 2.3 | 7.3 | 84 | 284 |
| YE3-225S-4 | 37 | 50 | 1485 | 93.9 | 93.9 | 92 | 0.86 | 69.6 | 66.1 | 63.7 | 237.9 | 2 | 2.3 | 7.4 | 85 | 328 |
| YE3-225M-4 | 45 | 60 | 1485 | 94.2 | 94.2 | 92.3 | 0.86 | 84.4 | 80.2 | 77.3 | 289.4 | 2 | 2.3 | 7.4 | 86 | 363 |
| YE3-250M-4 | 55 | 75 | 1485 | 94.6 | 94.6 | 92.7 | 0.86 | 103 | 97.6 | 94.1 | 353.7 | 2.2 | 2.3 | 7.4 | 86 | 442 |
| YE3-280S-4 | 75 | 100 | 1486 | 95 | 95 | 93.1 | 0.88 | 136 | 139 | 125 | 482 | 2 | 2.3 | 6.9 | 89 | 569 |
| YE3-280M-4 | 90 | 125 | 1486 | 95.2 | 95.2 | 93.3 | 0.88 | 163 | 155 | 149 | 578.4 | 2 | 2.3 | 6.9 | 89 | 639 |
| YE3-315S-4 | 110 | 150 | 1488 | 95.4 | 95.4 | 93.5 | 0.89 | 197 | 187 | 180 | 706 | 2 | 2.2 | 7 | 89 | 939 |
| YE3-315M-4 | 132 | 180 | 1488 | 95.6 | 95.6 | 93.7 | 0.89 | 236 | 224 | 216 | 847.2 | 2 | 2.2 | 7 | 92 | 1033 |
| YE3-315L1-4 | 160 | 220 | 1488 | 95.8 | 95.8 | 93.9 | 0.89 | 285 | 271 | 261 | 1027 | 2 | 2.2 | 7.1 | 92 | 1126 |
| YE3-315L2-4 | 200 | 270 | 1490 | 96 | 96 | 94.1 | 0.9 | 352 | 334 | 322 | 1282 | 2 | 2.2 | 7.1 | 92 | 1238 |
| YE3-355M-4 | 250 | 340 | 1490 | 96 | 96 | 94.1 | 0.9 | 440 | 418 | 403 | 1602 | 2 | 2.2 | 7.1 | 101 | 1830 |
| YE3-355L-4 | 315 | 430 | 1490 | 96 | 96 | 94.1 | 0.9 | 554 | 526 | 507 | 2019 | 2 | 2.2 | 7.1 | 101 | 1950 |
|
№ |
Описание | Материал |
| 1 | Кожух вентилятора | Чугун |
| 2 | Вентилятор | Пластик |
| 3 | Задний щиток | Чугун |
| 4 | Задний подшипник | Шариковый подшипник |
| 5 | Рама | Чугун |
| 6 | Статор с обмоткой | Кремнистая сталь/медь |
| 7 | Ротор | Кремнистая сталь |
| 8 | Шпонка | Чугун |
| № | Описание | Материал |
| 9 | Вал | 45#Сталь |
| 10 | Передний подшипниковый щит | Чугун |
| 11 | Крышка подшипника | Чугун |
| 12 | Уплотнение | Резина |
| 13 | Болт | Сталь |
| 14 | Передний подшипник | Шариковый подшипник |
| 15 | Внутренняя крышка подшипника | Чугун |
| 16 | Прокладка | Резина |
|
№ |
Описание | Материал |
| 17 | Винт | Сталь |
| 18 | Прокладка | Резина |
| 19 | Крышка клеммной коробки | Алюминий |
| 20 | Клеммная колодка | Пластик |
| 21 | Клеммная коробка | Алюминий |
| 22 | Заглушка клеммной коробки | Пластик |
| 23 | Заводская табличка | Алюминий |
| 24 | Уплотнение | Резина |
|
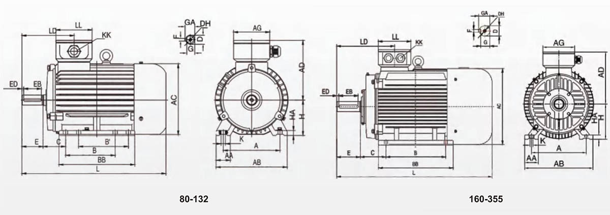
МОДЕЛЬ |
РАЗМЕРЫ, мм | |||||||||||||||||||||||
| A | AA | AB | AC | AD | AG | B | BB | C | D | DH | E | EB | ED | F | G | GA | H | HA | K | KK | L | LD | LL | |
| 80 | 125 | 34 | 160 | 167 | 147 | 102 | 100 | 150 | 50 | 19 | M6X16 | 40 | 30 | 2.5 | 6 | 15.5 | 21.5 | 80 | 10 | 4-Φ10 | 1-M25X1.5 | 304 | 119 | 102 |
| 90S | 140 | 36 | 176 | 182.4 | 154.5 | 102 | 100 | 161 | 56 | 24 | M8X19 | 50 | 40 | 5 | 8 | 20 | 27 | 90 | 12 | 4-Φ10 | 1-M25X1.5 | 336 | 143 | 102 |
| 90L | 140 | 36 | 176 | 182.4 | 154.5 | 102 | 125 | 186 | 56 | 24 | M8X19 | 50 | 40 | 5 | 8 | 20 | 27 | 90 | 12 | 4-φ10 | 1-M25X1.5 | 361 | 143 | 102 |
| 100L | 160 | 40 | 200 | 205.4 | 166 | 102 | 140 | 213 | 63 | 28 | M10X22 | 60 | 50 | 5 | 8 | 24 | 31 | 100 | 14 | 4-Φ12 | 1-M32X1.5 | 406 | 147 | 102 |
| 112M | 190 | 50 | 240 | 230 | 188 | 118 | 140 | 188 | 70 | 28 | M10X22 | 60 | 50 | 5 | 8 | 24 | 31 | 112 | 15 | 4-φ12 | 2-M32X1.5 | 394 | 147 | 110 |
| 132S | 216 | 55 | 265 | 258.4 | 203 | 118 | 140 | 186 | 89 | 38 | M12X28 | 80 | 65 | 5 | 10 | 33 | 41 | 132 | 18 | 4-φ12 | 2-M32X1.5 | 438 | 172 | 110 |
| 132M | 216 | 55 | 265 | 258.4 | 203 | 118 | 178 | 224 | 89 | 38 | M12X28 | 80 | 65 | 7.5 | 10 | 33 | 41 | 132 | 18 | 4-φ12 | 2-M32X1.5 | 476 | 172 | 110 |
| 160M | 254 | 65 | 314 | 314 | 251 | 162 | 210 | 260 | 108 | 42 | M16X36 | 110 | 90 | 7.5 | 12 | 37 | 45 | 160 | 20 | 4-φ14.5 | 2-M40X1.5 | 608 | 256 | 152 |
| 160L | 254 | 65 | 314 | 314 | 251 | 162 | 254 | 304 | 108 | 42 | M16X36 | 110 | 90 | 10 | 12 | 37 | 45 | 160 | 20 | 4-φ14.5 | 2-M40X1.5 | 652 | 256 | 152 |
| 180M | 279 | 70 | 349 | 355 | 267 | 162 | 241 | 311 | 121 | 48 | M16X36 | 110 | 90 | 10 | 14 | 42.5 | 51.5 | 180 | 22 | 4-φ14.5 | 2-M40X1.5 | 688 | 271 | 152 |
| 180L | 279 | 70 | 349 | 355 | 267 | 162 | 279 | 349 | 121 | 48 | M16X36 | 110 | 90 | 10 | 14 | 42.5 | 51.5 | 180 | 22 | 4-φ14.5 | 2-M40X1.5 | 726 | 271 | 152 |
| 200L | 318 | 70 | 388 | 397 | 299 | 210 | 305 | 369 | 133 | 55 | M20X42 | 110 | 100 | 10 | 16 | 49 | 59 | 200 | 25 | 4-Φ18.5 | 2-M50X1.5 | 779 | 296 | 190 |
| 225S | 356 | 75 | 431 | 446 | 322 | 210 | 286 | 368 | 149 | 60 | M20X42 | 140 | 125 | 5 | 18 | 53 | 64 | 225 | 28 | 4-φ18.5 | 2-M50X1.5 | 824 | 329 | 190 |
| 225M | 356 | 75 | 431 | 446 | 322 | 210 | 311 | 393 | 149 | 55 | M20X42 | 110 | 100 | 7.5 | 16 | 49 | 59 | 225 | 28 | 4-φ18.5 | 2-M50X1.5 | 819 | 299 | 190 |
| 250M | 406 | 80 | 484 | 485 | 358 | 248 | 349 | 445 | 168 | 60 | M20X42 | 140 | 125 | 7.5 | 18 | 53 | 64 | 250 | 30 | 4-φ24 | 2-M63X1.5 | 910 | 347 | 218 |
| 280S | 457 | 85 | 542 | 547 | 387 | 248 | 368 | 485 | 190 | 65 | M20X42 | 140 | 125 | 7.5 | 18 | 58 | 69 | 280 | 35 | 4-φ24 | 2-M63X1.5 | 982 | 355.5 | 218 |
| 280M | 457 | 85 | 542 | 547 | 387 | 248 | 419 | 536 | 190 | 65 | M20X42 | 140 | 125 | 7.5 | 18 | 58 | 69 | 280 | 35 | 4-φ24 | 2-M63X1.5 | 1033 | 355.5 | 218 |
| 315S | 508 | 120 | 628 | 620 | 527 | 320 | 406 | 570 | 216 | 65 | M20X42 | 140 | 125 | 7.5 | 18 | 58 | 69 | 315 | 45 | 4-φ28 | 2-M63X1.5 | 1194 | 397 | 280 |
| 315M | 508 | 120 | 628 | 620 | 527 | 320 | 457 | 680 | 216 | 65 | M20X42 | 140 | 125 | 7.5 | 18 | 58 | 69 | 315 | 45 | 4-φ28 | 2-M63X1.5 | 1304 | 397 | 280 |
| 315L | 508 | 120 | 628 | 620 | 527 | 320 | 508 | 680 | 216 | 65 | M20X42 | 140 | 125 | 7.5 | 18 | 58 | 69 | 315 | 45 | 4-φ28 | 2-M63X1.5 | 1304 | 397 | 280 |
| 355M | 610 | 116 | 726 | 698 | 642 | 380 | 560 | 750 | 254 | 75 | M20X42 | 140 | 130 | 5 | 20 | 67.5 | 79.5 | 355 | 52 | 6-Φ28 | 2-M63X1.5 | 1486 | 414 | 330 |
| 355L | 610 | 116 | 726 | 698 | 642 | 380 | 630 | 750 | 254 | 75 | M20X42 | 140 | 130 | 5 | 20 | 67.5 | 79.5 | 355 | 52 | 6-φ28 | 2-M63X1.5 | 1486 | 414 | 330 |